◆ Model: YQ40 YQ50 YQ60 YQ75 YQ100 YQ150
◆ Používání: Tato řada měřidel je vyrobena z nerezové oceli, s vnitřním bezpečnostním oddílem a otvory pro reliéf tlaku nahoře, aby se uvolnil nadměrný tlak uvnitř pouzdra v důsledku prasknutí způsobené přetížením nebo únavou elastických prvků, aby chránil bezpečnost operátorů a zařízení a zařízení, a v horní části kompenzace v horní části, která může být naplněna likvidací v likvidu v likvidu v likvidu v likvidu, která má být naplněna likvidací v likvidu. Bezpečnostní měřidla naplněná kapalinou jsou odolná vůči vibracím a zabraňují poškození vnitřku rozchodu v důsledku vibrací a mazání vnitřních složek, aby se minimalizovalo opotřebení a korozi.
Tato měřidla se široce používají při vrtání, rafinaci, chemikálii, potravě, farmaceutickém, mořském, pobřežní ropné platformě a dalších průmyslových odvětvích.
| Číslo modelu | YQ60 | YQ100 | YQ150 | |
| Nominální průměr | Φ 60 | Φ 100 | Φ 150 | |
| Instalační formulář | Ⅰ | * | * | * |
| Ⅱ | * | * | * | |
| Ⅲ | * | / | / | |
| Ⅳ | * | * | * | |
| Ⅴ | * | / | / | |
| Ⅵ | * | * | * | |
| PROTIlákno konektoru | M14 × 1.5 | M20 × 1.5 | ||
| Třída přesnosti | 2.5 | 1.6 | ||
| Rozsah měření „ MPA ) | Volný: -0,1 ~ 0 Tlakové vakuum : -0,1 ~ 0,06 -0,1 ~ 0,15 -0,1 ~ 0.3 -0,1 ~ 0,5 -0,1 ~ 0,9 -0,1 ~ 1,5 -0,1 ~ 2.4 Tlak: 0 ~ 0,1 0 ~ 0,16 0 ~ 0,25 0 ~ 0,4 0 ~ 0.6 0 ~ 1 0 ~ 1.6 0 ~ 2.5 0 ~ 4 0 ~ 6 0 ~ 10 0 ~ 16 0 ~ 25 0 ~ 40 0 ~ 60 0 ~ 100 0 ~ 160 0 ~ 250 | |||
| Podmínky použití prostředí | Temp : -40 ℃~ 70 ℃ | |||
| Hodnocení vibrací | V · H · 3 | |||
| Materiál trubice Borden | OCR18NI12MO2TI „ SUS316 „ Sus316l | |||
| Materiál pouzdra a konektoru | 1Cr18ni9ti „ SUS304 | |||
| Třída ochrany | IP65 | |||
| Implementační standardy | GB/T1226 | |||
| Poznámka: 1. Společná vlákna lze přizpůsobit podle požadavků uživatele. | ||||
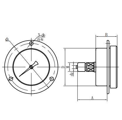
◆ Externí rozměry:
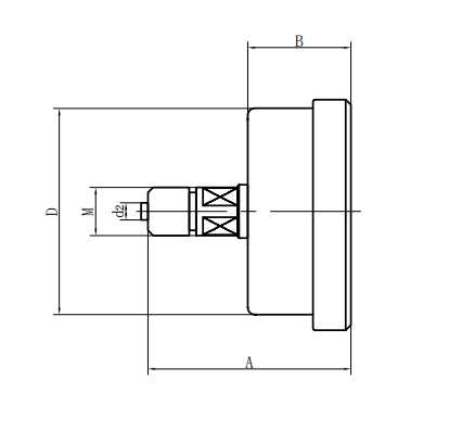
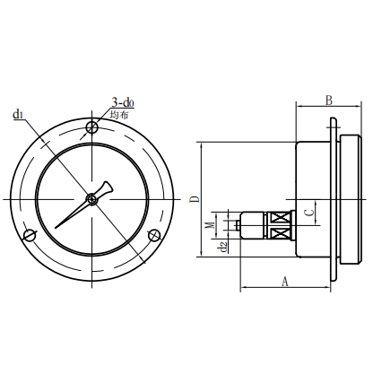
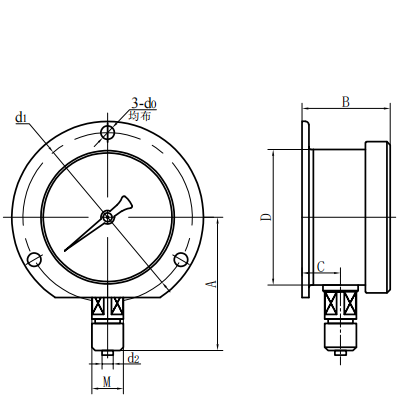
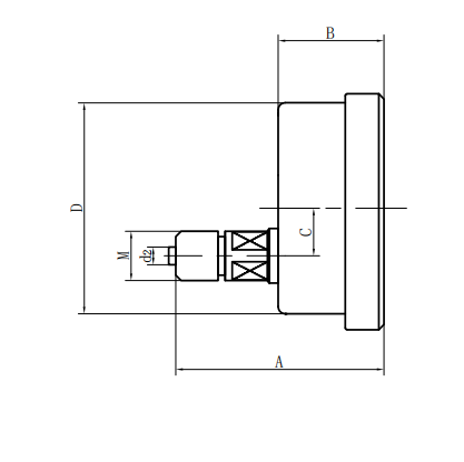
| Radiální přímý typ (ⅰ) | Axiální excentrický přímý typ (ⅱ) |
| Axiální soustředný přímý typ (III) | Typ axiální excentrické vložky (IV) |
| Typ axiální koncentrické inzerce (V) | Radiální konvexní typ (VI) |
| Číslo modelu | Celkové rozměry ( mm ) | |||||||
| A | B | C | D | D0 | D1 | D2 | M | |
| YQ60- Ⅰ | 56 | 33 | 11 | Φ 60 | / | / | Φ 5 | M14 × 1.5 |
| YQ60- Ⅱ | 61 | 32.5 | 18 | Φ 60 | / | / | Φ 5 | |
| YQ60- Ⅲ | 61 | 32.5 | / | Φ 60 | / | / | Φ 5 | M14 × 1.5 |
| YQ60- Ⅳ | 55 | 32.5 | 18 | Φ 60 | Φ 5 | Φ 75 | Φ 5 | |
| YQ60- Ⅴ | 55 | 32.5 | / | Φ 60 | Φ 5 | Φ 75 | Φ 5 | M14 × 1.5 |
| YQ60- Ⅵ | 56 | 33 | 11 | Φ 60 | Φ 5 | Φ 75 | Φ 5 | M14 × 1.5 |
| YQ100- Ⅰ | 90 | 48 | 15 | Φ 100 | / | / | Φ 6 | M20 × 1.5 |
| YQ100- Ⅱ | 83 | 44 | 34 | Φ 100 | / | / | Φ 6 | M20 × 1.5 |
| YQ100- Ⅳ | 68 | 44 | 34 | Φ 100 | Φ 6 | Φ 118 | Φ 6 | M20 × 1.5 |
| YQ100- Ⅵ | 90 | 48 | 15 | Φ 100 | Φ 6 | Φ 118 | Φ 6 | M20 × 1.5 |
| YQ150- Ⅰ | 117 | 51 | 16.5 | Φ 150 | / | / | Φ 6 | M20 × 1.5 |
| YQ150- Ⅱ | 92 | 52 | 55 | Φ 150 | / | / | Φ 6 | M20 × 1.5 |
| YQ150- Ⅳ | 69 | 52 | 55 | Φ 150 | Φ 6 | Φ 165 | Φ 6 | M20 × 1.5 |
| YQ150- Ⅵ | 117 | 53 | 28 | Φ 150 | Φ 6 | Φ 165 | Φ 6 | M20 × 1.5 |


















