◆ Model: yjy100 yjy150
◆ Použití: Absolutní tlak označuje tlak, který je vyšší než absolutní tlak nula s absolutním tlakem nula (absolutní vakuum) jako reference. Hodnota absolutního tlaku může být vyjádřena následujícím vzorcem:
Hodnota absolutního tlaku = vakuová (negativní tlak) hodnota hodnoty atmosférického tlaku
Absolutní tlakový měřič se používá hlavně ke sledování nebo měření absolutního tlaku v některých vakuových zařízeních (např. Vakuové obalové stroje, zařízení pro monitorování tlaku kondenzace a tlak par kapaliny atd.).
◆ Pracovní tlak: Statické zatížení se používá až do 3/4 horní mezní hodnoty měření, výměnné zatížení se používá až do 2/3 horní mezní hodnoty měření a krátkodobý tlak se používá až do horní mezní hodnoty měření. .
◆ Technické parametry :
| Číslo modelu | Yjy100 | Yjy150 | |
| Nominální průměr | Φ 100 | Φ 150 | |
| Instalační formulář | Ⅰ | * | * |
| Ⅱ | * | * | |
| Ⅳ | * | * | |
| Ⅵ | * | * | |
| PROTIlákno konektoru | M20 × 1.5 | ||
| Třída přesnosti | 0.4 „ 1.0 „ 1.6 „ 2.5 | ||
| Rozsah měření „ MPA ) | 0 ~ 0,1 0 ~ 0,16 0 ~ 0,25 0 ~ 0,4 0 ~ 0,6 0 ~ 1 0 ~ 1.6 0 ~ 2.5 0 ~ 4 0 ~ 6 0 ~ 10 | ||
| Podmínky použití prostředí | Temp : -40 ℃~ 70 ℃( Třída přesnosti : 0.4 ) -50 ℃~ 160 ℃( Třída přesnosti : 1.0 ~ 2.5 ) relativní vlhkost : ≦ 80 % | ||
| Hodnocení vibrací | PROTI · H · 2 „ V · H · 3 | ||
| Třída ochrany | IP65 | ||
| Implementační standardy | | ||
| Poznámka: 1. Společná vlákna lze přizpůsobit podle požadavků uživatele. | |||
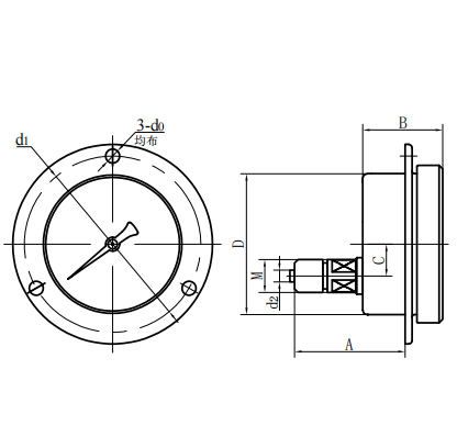
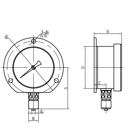
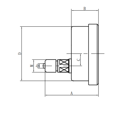
◆ Externí rozměry:
|
Radiální přímý typ (ⅰ) | Axiální excentrický přímý typ (ⅱ) |
| Axiální soustředný přímý typ (III) | Axiální excentrický typ vložky (iv) |
| Číslo modelu | Celkové rozměry ( mm ) | |||||||
| A | B | C | D | D0 | D1 | D2 | M | |
| Yjy100 -Ⅰ | 90 | 48 | 15 | Φ 100 | / | / | Φ 6 | M20 × 1.5 |
| Yjy100 -Ⅱ | 83 | 44 | 34 | Φ 100 | / | / | Φ 6 | M20 × 1.5 |
| Yjy100 -Ⅳ | 68 | 44 | 34 | Φ 100 | Φ 6 | Φ 118 | Φ 6 | M20 × 1.5 |
| Yjy100 -Ⅵ | 90 | 48 | 15 | Φ 100 | Φ 6 | Φ 118 | Φ 6 | M20 × 1.5 |
| Yjy150 -Ⅰ | 117 | 51 | 16.5 | Φ 150 | / | / | Φ 6 | M20 × 1.5 |
| Yjy150 -Ⅱ | 92 | 52 | 55 | Φ 150 | / | / | Φ 6 | M20 × 1.5 |
| Yjy150 -Ⅳ | 69 | 52 | 55 | Φ 150 | Φ 6 | Φ 165 | Φ 6 | M20 × 1.5 |
| Yjy150 -Ⅵ | 117 | 53 | 28 | Φ 150 | Φ 6 | Φ 165 | Φ 6 | M20 × 1.5 |
























