◆ Model: YC40 YC50 YC60 YC75 YC100 YC150
◆ Použití: Tato řada nástrojů je vhodná pro měření tlaku kapaliny, plynu, páry a jiných tekutin bez nebezpečí exploze, krystalizace nebo tuhnutí na lodích a souvisejících zařízeních.
Tato série nástrojů má světelný typ, v hlavním měřítku číselníku a přední konec ukazatele je potažen aktivním nebo pasivním permanentním světelným činidlem, takže tlakovou hodnotu lze jasně číst ve tmě.
Shell této série nástrojů je plně utěsněna a má jistotu odolnosti vůči korozi mořské vody, čímž chrání vnitřní složky nástroje před poškozením a korozí vlnami a mořskou vodou.
Tato série nástrojů může být také naplněna tlumícím olejem s nízkou viscozitou ve skořápce, se schopností odolat vibracím pracovního prostředí způsobeného špatným počasím v moři a středním tlakem.
Tato série nástrojů se používá hlavně v pobřežní přepravě, na moři ropy a plynu na moři, na pobřežní vrtné platformy, těžbu mořského dna, vnitrozemské navigaci a dalších průmyslových odvětvích.
◆ Technické parametry :
| Číslo modelu | YLM60 | YLM100 | YLM150 | |
| Nominální průměr | Φ 60 | Φ 100 | Φ 150 | |
| Typ montáže | Ⅰ | * | * | * |
| Ⅱ | * | * | * | |
| Ⅲ | * | / | / | |
| Ⅳ | * | * | * | |
| Ⅴ | * | / | / | |
| Ⅵ | * | * | * | |
| PROTIlákno konektoru | M14 × 1.5 | M20 × 1.5 | ||
| Třída přesnosti | 2.5 | 1.6 | ||
| Rozsah měření „ MPA ) | PROTIolný: -0,1 ~ 0 Tlakové vakuum : -0,1 ~ 0,06 -0,1 ~ 0,15 -0,1 ~ 0.3 -0,1 ~ 0,5 -0,1 ~ 0,9 -0,1 ~ 1,5 -0,1 ~ 2.4 Tlak: 0 ~ 0,1 0 ~ 0,16 0 ~ 0,25 0 ~ 0,4 0 ~ 0.6 0 ~ 1 0 ~ 1.6 0 ~ 2.5 0 ~ 4 0 ~ 6 0 ~ 10 0 ~ 16 0 ~ 25 0 ~ 40 0 ~ 60 0 ~ 100 „ 0 ~ 160 „ 0 ~ 250 |
| Podmínky použití prostředí | Temp : -40 ℃~ 70 ℃ |
| Hodnocení vibrací | Normální typ : V · H · 3 „ Seismický typ (typ naplněný kapalinou) : V · H · 4 |
| Materiál trubice Borden | QSN4-0,3 „ OCR18NI12MO2TI |
| Materiál pouzdra a konektoru | 1Cr18ni9ti „ SUS304 |
| Třída ochrany | IP65 |
| Implementační standardy | GB/T 1226 ; JB/T 6804 |
| Poznámka: 1. Společná vlákna lze přizpůsobit podle požadavků uživatele. | |
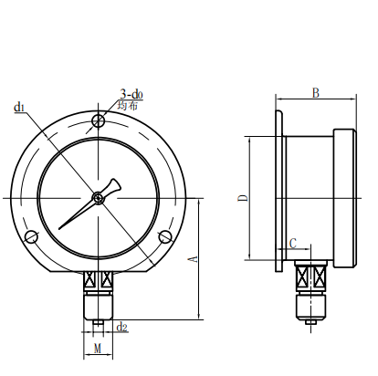
◆ Externí rozměry:
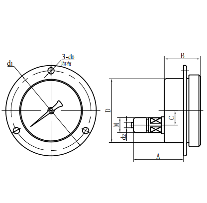
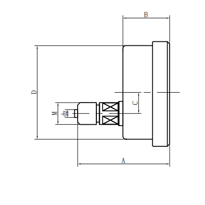
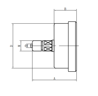
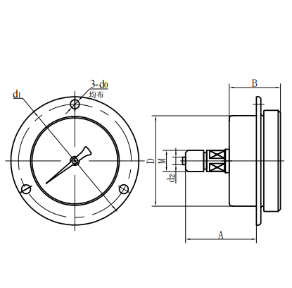
| Radiální přímý typ (ⅰ) | Axiální excentrický přímý typ (ⅱ) |
| Axiální soustředný přímý typ (III) | Typ axiální excentrické vložky (IV) |
| Typ axiální koncentrické inzerce (V) | Radiální konvexní typ (VI) |
| Číslo modelu | Celkové rozměry (mm) | |||||||
| A | B | C | D | D0 | D1 | D2 | M | |
| YC60- Ⅰ | 56 | 33 | 11 | Φ 60 | / | / | Φ 5 | M14 × 1.5 |
| YC60- Ⅱ | 61 | 32.5 | 18 | Φ 60 | / | / | Φ 5 | |
| YC60- Ⅲ | 61 | 32.5 | / | Φ 60 | / | / | Φ 5 | M14 × 1.5 |
| YC60- Ⅳ | 55 | 32.5 | 18 | Φ 60 | Φ 5 | Φ 75 | Φ 5 | |
| YC60- Ⅴ | 55 | 32.5 | / | Φ 60 | Φ 5 | Φ 75 | Φ 5 | M14 × 1.5 |
| YC60- Ⅵ | 56 | 33 | 11 | Φ 60 | Φ 5 | Φ 75 | Φ 5 | M14 × 1.5 |
| YC100- Ⅰ | 90 | 48 | 15 | Φ 100 | / | / | Φ 6 | M20 × 1.5 |
| YC100- Ⅱ | 83 | 44 | 34 | Φ 100 | / | / | Φ 6 | M20 × 1.5 |
| YC100- Ⅳ | 68 | 44 | 34 | Φ 100 | Φ 6 | Φ 118 | Φ 6 | M20 × 1.5 |
| YC100- Ⅵ | 90 | 48 | 15 | Φ 100 | Φ 6 | Φ 118 | Φ 6 | M20 × 1.5 |
| YC150- Ⅰ | 117 | 51 | 16.5 | Φ 150 | / | / | Φ 6 | M20 × 1.5 |
| YC150- Ⅱ | 92 | 52 | 55 | Φ 150 | / | / | Φ 6 | M20 × 1.5 |
| YC150- Ⅳ | 69 | 52 | 55 | Φ 150 | Φ 6 | Φ 165 | Φ 6 | M20 × 1.5 |
| YC150- Ⅵ | 117 | 53 | 28 | Φ 150 | Φ 6 | Φ 165 | Φ 6 | M20 × 1.5 |


















