◆ Model: YZS102
◆ Model: YZS102
◆ Technické parametry:
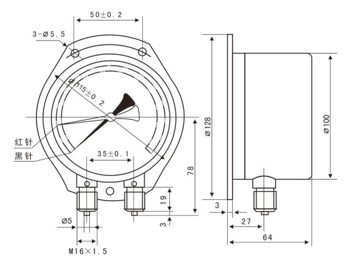
| Model | YZS102 |
| Nominální průměr | Φ 100 |
| Montážní vlákna | M20 × 1.5 „ G3/8 |
| Třída přesnosti | 1.6 |
| Měřící rozsah „ KPA ) | 0 ~ 1000 0 ~ 1200 0 ~ 1600 0 ~ 2500 |
| Podmínky použití prostředí | Teplota: -5 ° C ~ 60 ° C. Relativní vlhkost: Ne více než 80%. |
| Teplotní účinky | (odchylka od 20 ° C ± 5 ° C při použití) není větší než 0,4%/10 ° C. |
| hmotnost | 0,7 kg |
| Hodnocení odolnosti vibrací | PROTI · H · 3 |
| Ochrana vstupů | IP54 |
| Prosazovat standard | GB/T1226 |
| Poznámka: 1 . Společné vlákno lze přizpůsobit podle požadavků uživatele. | |
◆ Vnější rozměry:
Wuxi Huihua Special Instrumentation Co., Ltd. was established in December 2001, the registered capital is 5 million yuan, the existing staff of more than 50 small and medium-sized joint-stock enterprises.
Společnost se specializuje na výrobu různých typů speciálních nástrojů, alternativu k lokalizaci importovaných nástrojů. Na seismické tlakové měřidlo, seismické elektrické kontaktní tlakové měřidlo, tlakový rozchod z nerezové oceli, tlakový měřič tlaku odolný vůči bráně, mořský tlak a další řady jako hlavní produkty. Na základě polních nástrojů jsme vyvinuli různé druhy vysílačů tlaku, regulátory tlaku, měřidla digitálního tlaku atd. Existuje více než 30 sérií a 3000 specifikací. Nabídky se široce používají v ropě, chemikálii, papíru, metalurgii, těžbě, chemickém vláknu, elektrické energii, potravinách, ochraně životního prostředí, gumové a plastové, hydraulice a mnoha dalším průmyslovým odvětvím a více než 2 000 domácích zákazníků, aby vytvořili přátelský vztah s image pro značce a vytvořili majetku a vytvořili pochvalu uživatelů.
Jako Série série YZS s dvojitou trubicí tlakové měřidla s dvojitou trubkou Manufacturers, přísné procesy kontroly kvality jsou zavedeny v celém výrobním systému, aby se zajistilo, že se vytváří konzistentní kvalita.
Tlakoměry patří mezi nejzákladnější nástroje v jakémkoli průmyslovém, mechanickém nebo procesním prostředí. Poskytují měření tlaku kapalin nebo plynů v reálném čase a umožňují operátorům monitorovat výkon systému, pře......
Přečtěte si vícePochopení základů tlakoměru Tlakoměry jsou základní přístroje používané v mnoha průmyslových odvětvích k měření a zobrazování tlaku plynů nebo kapalin v systému. Tato zařízení slouží kritickým funkcím při mon......
Přečtěte si víceSnímače diferenčního tlaku jsou základními nástroji v moderních průmyslových systémech řízení, měření a monitorování. Tato zařízení měří rozdíl v tlaku mezi dvěma body v systému a převádějí toto měření na standardizov......
Přečtěte si více