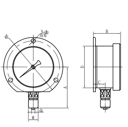
◆ Model: YN40 YN50 YN60 YN75 YN100 YN150
◆ Používání: Tato řada nástrojů má dobrý odolnost proti šokům, zejména vhodný pro místa se silnou vibrací environmentálních strojů, a vydrží násilné pulzace, šok a náhlé vyložení středního tlaku. Je vhodný pro měření tlaku kapaliny, plynu nebo páry, který nemá nebezpečí exploze, nekrystalizuje, neztuhne a nemá korozivní účinek na slitinu mědi a mědi. Přístroj označuje stabilní a jasné hodnoty. Obecně se používá v těžkých strojích, těžbě, ropě, chemickém průmyslu, metalurgii, elektrické energii a dalších odděleních.
◆In practical application, according to the special characteristics of various media (such as oil ban, fireproof, corrosion-resistant, etc.), the requirements of the instrument are different, so this series of instruments derive many corresponding special instruments, their nominal diameter, installation type, connector thread, accuracy level, measuring range, etc. are the same as the seismic (shock) pressure gauge, mainly there are two categories:
2.1 Vhodné pro měření tlaku hořlavých a výbušných médií. Je přísně zakázáno kontakt s mastnými hořlavými látkami. Ošetření odmašťováním se provádí před opuštěním továrny a testováno, aby bylo bez mastnoty.
2.1.1 Yon Series Shock-rezistentní (seismický) tlakový rozchod kyslíku
2.1.2 YHN série série odolných (seismických) měřidla tlaku vodíku
2.1.3 YYN Série šokových rezistentních (šoků) acetylenového tlakového měřidla
2.2 Použité materiály jsou odolné vůči korozi média nebo přístroj nemá žádný vliv na médium a aby se zajistilo, že detekční prvky a rozhraní jsou čisté a bez tuku.
2.2.1 Yan série šokujícího odolného (šoku) tlakového měřidla amoniaku
2.2.2 YDQN Řada šokových odolných (šoků) měřidla tlaku dusíku
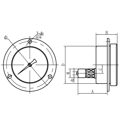
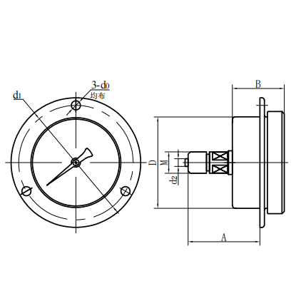
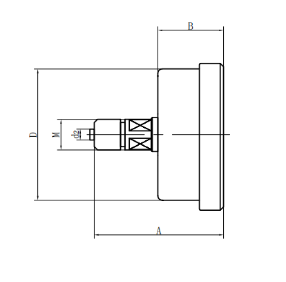
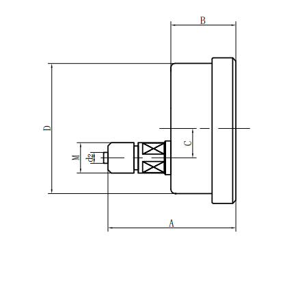
Tlakový rozchod s řadami YN řady
Model: 40 mm (1,5 "), 50 mm (2"), 60 mm (2,5 "), 100 mm (4"), 150 mm (6 ")
Zavedení:
Série nástrojů má vynikající odolnost proti šokům, stabilní indikaci, jasné hodnoty a jsou zvláště vhodné pro použití v místech s intenzivními mechanickými vibracemi. Mohou také odolávat drastickým pulzacím, dopadům a náhlému snížení zátěže média. Toto mechanismus absorbující nárazy a konstrukci naplněného kapalinou (obvykle glycerin a silikonový olej) umožňují tomuto tlakovému měřiči zajistit spolehlivé a přesné měření tlaku i za složitých a nepříznivých podmínek. Kvůli své pružnosti a přesnosti se široce používá v různých průmyslových odvětvích.



















































































































