◆ Model: y¨-Ml y¨-mf y¨-mg y¨-mz y¨-mk y¨-mn y¨-ms
◆ Aplikace: Vzhledem k nepřímé struktuře měření je tlakový rozchod membrány vhodný pro měření tlaku kapalin, plynů nebo granulárních tekoucích pevných látek s vysokou viskozitou, snadno krystalizující, silnou korozi a vysokou teplotu. Izolační membrána má řadu materiálů, které se přizpůsobují řadě různých korozivních médií.
Tyto nástroje se používají hlavně v chemickém vláknu, syntetickém vláknu, ropě, barvení, alkalii, kyselině, jídle, medicíně, konstrukci, těžbě, tavením a dalších průmyslových odvětvích.
Hlava měřidla tohoto typu přístroje lze použít v různých sériích: obecný tlak, tlakový měřič odolný proti nárazům, řada měřidla elektrického kontaktu, řada šokových odolných s elektrickým kontaktním měřidlem, tlakový vysílač, vzdálený tlak, digitální tlakový měřič, regulátor tlaku atd.
◆ Princip struktury:
Tento nástroj je nepřímé měření. Izolační deformace membrány pod tlakem naměřeného média, těsnicí kapalina je natlakována a tlak se přenáší na tlak.
Těsnicí kapalina je natlakována a tlak je prováděn na detekční nástroj, který ukazuje hodnotu naměřeného středního tlaku.
◆ Technické parametry :
| Model hlavy měřiče | Různé typy tlakových nástrojů, tlakových vysílačů, tlakových regulátorů atd. | |||
| Třída přesnosti | 1.6 „ 2.5 | |||
| Třída přesnosti „ MPA ) | 0 ~ 0,1 0 ~ 0,16 0 ~ 0,25 0 ~ 0,4 0 ~ 0.6 0 ~ 1 0 ~ 1.6 0 ~ 2.5 0 ~ 4 0 ~ 6 0 ~ 10 0 ~ 16 0 ~ 25 0 ~ 40 | |||
| Membránový materiál | Přezdívky | Materiál | Přezdívky | Materiál |
| 1 | 0CR18NI12MO2 | 5 | Hastelloy C (H276C) | |
| 2 | SUS304 | 6 | Monelová slitina (Cu30ni70) | |
| 3 | SUS316 | 7 | Tantalum (ta) | |
| 4 | Sus316l | 8 | Fluoroplastická (PTFE) | |
| Izolátorový materiál | 1Cr18ni9; 304; 316; 316L; F4; PVC atd. | |||
| Těsnění těsnění | NBR; Lékařská silikonová guma; PTFE; Grafit; Fluoroelastomer; atd. | |||
| Plnění vodivé tekutiny | Methyl silikonový olej, rostlinný olej, glycerin, fluorovaný olej atd. | |||
| teplotní efekt | Protože tepelná roztažnost vodivé tekutiny a rigidita bránice souvisí s teplotou, je chybová hodnota 0,1%/° C, když se provozní teplota odchyluje z 20 ± 5 ° C. | |||
| Ochrana proti korozi | Tento výkon zahrnuje korozní charakteristiky prostředí a měřicí médium a materiál izolátoru, membránového listu a těsnicí podložky lze vybrat podle podmínek použití. | |||
| Rozdíl na úrovni | V instalaci je tlakový měřič hadice spojený, pokud je měřicí bod a tlakový měřič v různých výškách, jeho rozdíl v hladině kapaliny generovaný tlakovým rozdílem △ P ovlivní měřenou hodnotu přístroje, vzorec je: △ p = specifická gravitace rozdílu v kapalině × kapaliny. | |||
| Implementační standardy | JB/T 8624 | |||
| Poznámka: 1, vlákno konektoru lze přizpůsobit podle požadavků uživatele; 2 、 Připojení příruby lze přizpůsobit podle standardu příruby uživatelů. | ||||
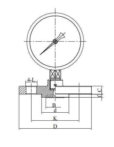
◆ Velikost typu izolátoru a schéma instalace:
| (ML) Rozhraní závitem | (MF) Příruba otevřené obličeje |
























