◆ Technické parametry:
| Model | Cybn100 | Cybn150 |
| Nominální průměr | Φ 100 | Φ 150 |
| Typ montáže | Radiální konvexní namontované Paralelní rozhraní | * | * |
| Radiální konvexní namontované Rozhraní osmi znaků | | * |
| Excentrický excentrický typ splachování | * | * |
| Měřící rozsah | Diferenciální tlak Měřící rozsah KPA | Nominální Pracovní tlak KPA | Diferenciální tlak Měřící rozsah MPA | Nominální Pracovní tlak MPA |
| 0 ~ 10 | 60 | 0 ~ 0.16 | 1 |
| 0 ~ 16 | 100 | 0 ~ 0.25 | 1.6 |
| 0 ~ 25 | 160 | 0 ~ 0.4 | 2.5 |
| 0 ~ 40 | 250 | 0 ~ 0.6 | 4 |
| 0 ~ 60 | 400 | 0 ~ 1 | 6 |
| 0 ~ 100 | 600 | 0 ~ 1.6 | 10 |
| | | 0 ~ 2.5 | 10 |
| Třída přesnosti | 2.5 |
| Montážní vlákna | M20 × 1.5 |
| Použijte okolní teplotu | -40 ℃~ 70 ℃ |
| Teplota média, která má být použita | ≤ 60 ℃ |
| Hodnocení odolnosti vibrací | PROTI · H · 4 |
| Hodnocení krytu | IP65 |
| hmotnost | Přibližně 1,5 kg |
| Materiál impulsního systému | 0CR17NI12MO2 „ SUS316 |
| kryt a další materiály | 1CR18NI9 „ SUS304 |
| Prosazovat standard | JB/T 12015-2014 |
| Poznámka: 1 . Společné vlákno lze přizpůsobit podle požadavků uživatele. |
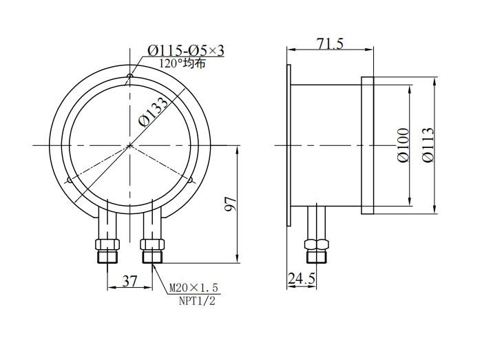
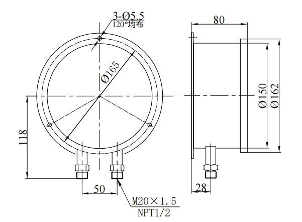
◆ Velikost vzhledu a instalace:
| Cybn100 Paralelní rozhraní | Cybn150 paralelní rozhraní |
| Cybn150 Bazi rozhraní | Cybn150 Axiální excentricita |
◆ Strukturální princip:
Přístroj přijímá dvojitou strukturu trubice Bourdon, tj. Dvě Bourdonovy zkumavky jsou instalovány v symetrických pozicích na obou stranách držáku „I“. Horní a dolní části držáku „I“ jsou pohyblivým koncem a pevný konec respektive, a střed je spojen pružinovými kusem: obě Bourdon trubice jsou v paralelním stavu a jsou spojeny s vysokým a nízkým napěťovým svinutím, které je přímo na instalaci, na instalaci je mobilní, že je mobilní, je to, že je movitovatelné, že je movitovatelné, je to, že je mobilní, že je mobilní, je to, že je mobilní směnná, že je mobilní, je to, že je movitovatelný, že je mobilní, že je mobilní, je to, že je mobilní směnná, že je mobilní, že je mobilní, je to, že je monující, že je mobilní, že je mobilní směnné, na instalaci. Přímo upevněný na mechanismu přenosu převodovky.
◆ Working principle: Based on the pressure sensing element, two Bourdon tubes with the same stiffness are used, so they are forced to produce the same concentrated force under the same measured medium to act on the movable bracket respectively, because the two sides of the spring blade do not produce deflection under the action of equal moment, so the bracket is still in the original position, so that the gear transmission mechanism does not act, so that the pointer is still pointed at the zero pozice.
Když jsou aplikovány různé tlaky (obecně je vysokotlaký konec vyšší než nízkotlaký konec) , síla dvou Bourdonových trubek působících na pohyblivou podpěru není stejná, takže odpovídající posun je generován, a mechanismus přenosu převodovky je poháněn a zesílen a zesílen tlak mezi dvěma.
◆ Opatření:
1. Přístroj by měl být nainstalován svisle v poloze, která je na stejné úrovni jako bod měření, jinak je třeba vzít v úvahu další chyba způsobená rozdílem v kapalině.
2 . Konektor nástroje označený “ H "Nebo" "Je konec vysokého napětí a ten označený" L "Nebo" - „Je nízkonapěťový konec a během instalace jej nelze obrátit.
3 . Když přístroj měří diferenciální tlak, lze v rámci hodnoty diferenciálního tlaku použít 75% horní hranice rozsahu měřítka a maximální hodnota statického tlaku systému by neměly překročit maximální hodnotu statického tlaku určenou nástrojem.
4. Jak je znázorněno na obrázku 4 , vyvážení (bezpečnostní) ventil (ventil 1 ) by mělo být během instalace nastaveno před vstupní porty s vysokým a nízkým tlakem přístroje a mělo by být v otevřené poloze a vyvažovací ventil by měl být zavřený po ventilu 2 a ventil 3 jsou všechny otevřeny.
5 . Před použitím by měl nástroj pečlivě ověřit stupeň eroze způsobený naměřeným médiem, aby nezpůsobil včasné poškození koroze trubice Bourdon.
6 . Pokud je nástroj pravidelně udržován, pokud musí být kryt měřiče otevřen, je vhodné používat speciální nástroje.
7 . Když je nástroj ovlivněn změnami teploty a chyba indikace se zvyšuje a ovlivňuje přesnost měření, může být šéf zástrčky na pouzdro odříznut, aby byl vnitřek a vně případu komunikován a tlak vzduchu je vyvážený.
◆ Oznámení o objednávce:
Při objednávce nástroje musí uživatel označit:
1. Název a model, rozsah diferenciálního tlaku, maximální statický tlak, měření jednotky, úroveň přesnosti;
2. Velikost vlákna kloubu: Konvenční M20 × 1.5 , NPT1/2 (nebo zadané zákazníkem);
3. Poznámka: Tři skupiny ventilů lze přizpůsobit jménem uživatelů (ventily 1 ~ 3 na obrázku 4 )