◆ Model: Y40 Y50 Y60 Y75 Y100 Y200 Y250
◆ Použití: Tato řada nástrojů je vhodná pro měření tlaku kapaliny, plynu nebo páry, která nehrozí výbuch, nekrystalizuje, neztuhne a nemá korozivní účinek na slitinu mědi a mědi.
◆ V praktických aplikacích je podle zvláštních charakteristik různých médií (jako je zákaz oleje, prevence požáru, odolnost proti korozi atd.), Požadavky nástroje jsou odlišné, takže tato řada nástrojů postupuje mnoho odpovídajících zvláštních nástrojů, jejich nominální průměr, instalační typ, vlákno konektoru, úroveň přesnosti, úroveň měření atd.
1.1 Vhodné pro měření tlaku hořlavých a výbušných médií. Je přísně zakázáno kontakt s mastnými hořlavými látkami. Před odchodem z továrny se provádí odmašťovací léčba a není testována bez tuku.
1.1.1 yo série tlakového měřidla kyslíku
1.1.2 YH řady měřidla tlaku vodíku
1.1.3 Série série acetylenového tlaku měřidla
1.2 Použité materiály jsou odolné vůči korozi média nebo nástroj nemá žádný vliv na médium a zajišťuje, že detekční prvky a rozhraní jsou čisté a bez tuku.
1.2.1 Tlakový měřič amoniaku série YA
1.2.2 ydq řada tlakového rozchodu dusíku
◆ Technické parametry :
| Číslo modelu | Y40 | Y50 | Y60 | Y75 | Y100 | Y150 | Y200 | Y250 | |
| Nominální průměr | Φ 40 | Φ 50 | Φ 60 | Φ 75 | Φ 100 | Φ 150 | Φ 200 | Φ 250 | |
| Instalační formulář | Ⅰ | * | * | * | * | * | * | * | * |
| Ⅱ | / | / | * | / | * | * | * | * | |
| Ⅲ | * | * | * | * | / | / | / | / | |
| Ⅳ | / | / | * | / | * | * | / | / | |
| Ⅴ | * | * | * | * | / | / | / | / | |
| Ⅵ | / | / | * | * | * | * | / | / | |
| PROTIlákno konektoru | M10 × 1 | M14 × 1.5 | M20 × 1.5 | ||||||
| Třída přesnosti | 2.5 | 1.6 | |||||||
| Rozsah měření „ MPA ) | Volný: -0,1 ~ 0 Tlakové vakuum : -0,1 ~ 0,06 -0,1 ~ 0,15 -0,1 ~ 0,3 -0,1 ~ 0.5 -0,1 ~ 0,9 -0,1 ~ 1,5 -0,1 ~ 2.4 Tlak: 0 ~ 0,1 0 ~ 0,16 0 ~ 0,25 0 ~ 0,4 0 ~ 0.6 0 ~ 1 0 ~ 1.6 0 ~ 2.5 0 ~ 4 0 ~ 6 0 ~ 10 0 ~ 16 0 ~ 25 0 ~ 40 0 ~ 60 0 ~ 100 0 ~ 160 | ||||||||
| Podmínky použití prostředí | Temp : -40 ℃~ 70 ℃ | ||||||||
| Hodnocení vibrací | V · H · 3 | ||||||||
| Materiál trubice Borden | QSN4-0,3 | ||||||||
| Třída ochrany | IP54 „ IP65 | ||||||||
| Implementační standardy | GB/T 1226 | ||||||||
| Poznámka: 1. Společná vlákna lze přizpůsobit podle požadavků uživatele. | |||||||||
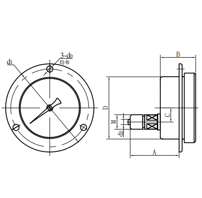
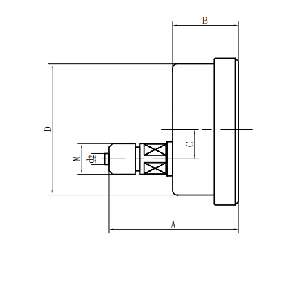
◆ Externí rozměry:
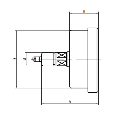
| Radiální přímý typ (ⅰ) | Axiální excentrický přímý typ (ⅱ) |
| Axiální soustředný přímý typ (III) | Typ axiální excentrické vložky (IV) |
| Typ axiální koncentrické inzerce (V) | Radiální konvexní typ (VI) |
| Číslo modelu | Celkové rozměry ( mm ) | |||||||
| A | B | C | D | D0 | D1 | D2 | M | |
| Y40 -Ⅰ | 38 | 25 | 8.5 | Φ 41 | / | / | Φ 3.5 | M10 × 1 |
| Y40 -Ⅲ | 45 | 26 | / | Φ 41 | / | / | Φ 3.5 | M10 × 1 |
| Y40 -Ⅴ | 38 | 26 | / | Φ 41 | Φ 3.5 | Φ 53 | Φ 3.5 | M10 × 1 |
| Y50 -Ⅰ | 50 | 29 | 9.5 | Φ 52 | / | / | Φ 4 | M10 × 1 |
| Y50 -Ⅲ | 54 | 29 | / | Φ 52 | / | / | Φ 4 | M10 × 1 |
| Y50 -Ⅴ | 47 | 29 | / | Φ 52 | Φ 4 | Φ 64 | Φ 4 | M10 × 1 |
| Y60 -Ⅰ | 54 | 30 | 12 | Φ 60 | / | / | Φ 5 | M14 × 1.5 |
| Y60 -Ⅱ | 63 | 34 | 18 | Φ 60 | / | / | Φ 5 | M14 × 1.5 |
| Y60 -Ⅲ | 58 | 30 | / | Φ 60 | / | / | Φ 5 | M14 × 1.5 |
| Y60 -Ⅳ | 45 | 34 | 18 | Φ 60 | Φ 5 | Φ 75 | Φ 5 | M14 × 1.5 |
| Y60 -Ⅴ | 45 | 34 | / | Φ 60 | Φ 5 | Φ 75 | Φ 5 | M14 × 1.5 |
| Y60 -Ⅵ | 54 | 30 | 12 | Φ 60 | Φ 5 | Φ 75 | Φ 5 | M14 × 1.5 |
| Y75 -Ⅰ | 62 | 31 | 10 | Φ 75 | / | / | Φ 5 | M14 × 1.5 |
| Y75 -Ⅲ | 54 | 32 | / | Φ 75 | / | / | Φ 5 | M14 × 1.5 |
| Y75 -Ⅴ | 54 | 32 | / | Φ 75 | Φ 5 | Φ 91 | Φ 5 | M14 × 1.5 |
| Y75 -Ⅵ | 62 | 32 | 10 | Φ 75 | Φ 5 | Φ 91 | Φ 5 | M14 × 1.5 |
| Y100 -Ⅰ | 89 | 44 | 17 | Φ 100 | / | / | Φ 6 | M20 × 1.5 |
| Y100 -Ⅱ | 83 | 44 | 30 | Φ 100 | / | / | Φ 6 | M20 × 1.5 |
| Y100 -Ⅳ | 68 | 44 | 30 | Φ 100 | Φ 6 | Φ 118 | Φ 6 | M20 × 1.5 |
| Y100 -Ⅵ | 89 | 44 | 18 | Φ 100 | Φ 6 | Φ 118 | Φ 6 | M20 × 1.5 |
| Y150 -Ⅰ | 115 | 49 | 17 | Φ 150 | / | / | Φ 6 | M20 × 1.5 |
| Y150 -Ⅱ | 88 | 49 | 55 | Φ 150 | / | / | Φ 6 | M20 × 1.5 |
| Y150 -Ⅳ | 85 | 49 | 55 | Φ 150 | Φ 6 | Φ 165 | Φ 6 | M20 × 1.5 |
| Y150 -Ⅵ | 115 | 49 | 18 | Φ 150 | Φ 6 | Φ 165 | Φ 6 | M20 × 1.5 |
| Y200 -Ⅰ | 140 | 53 | 20 | Φ 200 | / | / | Φ 6 | M20 × 1.5 |
| Y200 -Ⅱ | 92 | 53 | 53 | Φ 200 | / | / | Φ 6 | M20 × 1.5 |
| Y250 -Ⅰ | 165 | 53 | 20 | Φ 250 | / | / | Φ 6 | M20 × 1.5 |
| Y250 -Ⅱ | 92 | 53 | 53 | Φ 250 | / | / | Φ 6 | M20 × 1.5 |

























