◆ Model: Yp100-L YP150-L YP100-F YP150-F
◆ Model: Yp100-L YP150-L YP100-F YP150-F
◆ Technické parametry:
| Model | YP100-L „ YP100-F | YP150-L „ YP150-F |
| Nominální průměr | F 100 | F 150 |
| Třída přesnosti | 2.5 | |
| Měřící rozsah „ KPA ) | Negativní tlak: -60 ~ 0 -40 ~ 0 -25 ~ 0 -16 ~ 0 -10 ~ 0 0 ~ 10 -6 ~ 0 -4 ~ 0 -2,5 ~ 0 -1.6 ~ 0 Pozitivní tlak: 0 ~ 1.6 0 ~ 2.5 0 ~ 4 0 ~ 6 0 ~ 1 0 ~ 1.6 0 ~ 2.5 Pozitivní a záporné tlak: -0,8 ~ 0,8 -1.2 ~ 1,2 -2 ~ 2 -3 ~ 3 -5 ~ 5 -8 ~ 8 -12 ~ 12 -20 ~ 20 -30 ~ 30 | |
| Měřící rozsah „ MPA ) | PROTIakuum: -0,1 ~ 0 Tlakové vakuum: -0,1 ~ 0,06 -0,1 ~ 0,15 -0,1 ~ 0.3 -0,1 ~ 0,5 -0,1 ~ 0,9 -0,1 ~ 1,5 -0,1 ~ 2.4 Tlak: 0 ~ 0,06 0 ~ 0,1 0 ~ 0,16 0 ~ 0,25 0 ~ 0.4 0 ~ 0,6 0 ~ 1 0 ~ 1.6 0 ~ 2.5 | |
| Použijte okolní teplotu | -40 ℃~ 70 ℃ | |
| Membránový materiál | OCR18NI12MO2TI ;;; SUS316 ; | |
| Typ montáže | Závitem ( L ); Příruba ( F ), ( F1 ) | |
| Hodnocení odolnosti vibrací | V · H · 2 | |
| Ochrana vstupů | IP64 | |
| Prosazovat standard | JB/T 5491 | |
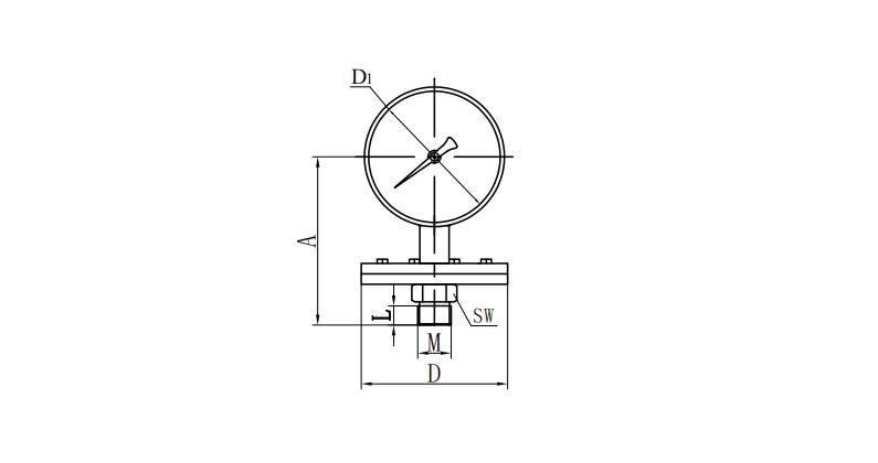
◆ Externí rozměry:
Závitem ( L )
| Model | Rozměry( mm ) | |||||
| A | D | D1 | SW | L | M | |
| YP100-L | 135 | Φ 97.5 Mikropressura φ 165 | 110 | 27 | 20 | M20 × 1.5 |
| YP150-L | 160 | 160 | 27 | 20 | M20 × 1.5 | |
| Poznámka: Společné vlákno ( M ) může být vyrobeno do vlákna potrubí nebo zkoseného potrubí podle požadavků uživatele (viz příručka pro výběr). | ||||||
Wuxi Huihua Special Instrumentation Co., Ltd. was established in December 2001, the registered capital is 5 million yuan, the existing staff of more than 50 small and medium-sized joint-stock enterprises.
Společnost se specializuje na výrobu různých typů speciálních nástrojů, alternativu k lokalizaci importovaných nástrojů. Na seismické tlakové měřidlo, seismické elektrické kontaktní tlakové měřidlo, tlakový rozchod z nerezové oceli, tlakový měřič tlaku odolný vůči bráně, mořský tlak a další řady jako hlavní produkty. Na základě polních nástrojů jsme vyvinuli různé druhy vysílačů tlaku, regulátory tlaku, měřidla digitálního tlaku atd. Existuje více než 30 sérií a 3000 specifikací. Nabídky se široce používají v ropě, chemikálii, papíru, metalurgii, těžbě, chemickém vláknu, elektrické energii, potravinách, ochraně životního prostředí, gumové a plastové, hydraulice a mnoha dalším průmyslovým odvětvím a více než 2 000 domácích zákazníků, aby vytvořili přátelský vztah s image pro značce a vytvořili majetku a vytvořili pochvalu uživatelů.
Jako Tlakové měřidla série YP série Manufacturers, přísné procesy kontroly kvality jsou zavedeny v celém výrobním systému, aby se zajistilo, že se vytváří konzistentní kvalita.
Tlakoměry patří mezi nejzákladnější nástroje v jakémkoli průmyslovém, mechanickém nebo procesním prostředí. Poskytují měření tlaku kapalin nebo plynů v reálném čase a umožňují operátorům monitorovat výkon systému, pře......
Přečtěte si vícePochopení základů tlakoměru Tlakoměry jsou základní přístroje používané v mnoha průmyslových odvětvích k měření a zobrazování tlaku plynů nebo kapalin v systému. Tato zařízení slouží kritickým funkcím při mon......
Přečtěte si víceSnímače diferenčního tlaku jsou základními nástroji v moderních průmyslových systémech řízení, měření a monitorování. Tato zařízení měří rozdíl v tlaku mezi dvěma body v systému a převádějí toto měření na standardizov......
Přečtěte si více